

| 型号 | 尺寸 | 规格 | 材质 | O-环 | 接口 |
| VP-240 | 3/8"-4" | ANSI,JIS,DIN,BS | PVC | EPDM,FPM | Socket,Threaded |
| VP-241 | 3/8"-4" | ANSI,JIS,DIN,BS | CPVC | EPDM,FPM | Socket,Threaded |
| VP-243 | 3/8"-4" | ANSI,JIS,DIN,BS | PVDF | EPDM,FPM | Socket,Threaded |
| VP-244 | 3/8"-4" | ANSI,JIS,DIN,BS | PP | EPDM,FPM | Socket,Threaded |
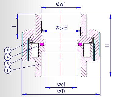
| NO. | PART | MATEPIAL | QTY |
| 1 | 本体 | UPVC,CPVC,PP,PVDF | 1 |
| 2 | 外特普 | UPVC,CPVC,PP,PVDF | 1 |
| 3 | 螺帽 | UPVC,CPVC,PP,PVDF | 1 |
| 4 | O环 | EPDM,FPM | 1 |
| SIZE | 3/8 | ½ | ¾" | 1" | 1-¼" | 1-½" | 2" | 2-½" | 3" | 4" | |
| JIS | d1 | 18.4 | 22.3 | 26.3 | 32.33 | 38.43 | 48.46 | 60.56 | 76.6 | 89.6 | 114.7 |
| d2 | 17.78 | 21.7 | 25.7 | 31.67 | 37.57 | 47.54 | 59.44 | 75.87 | 88.83 | 113.98 | |
| I | 19.05 | 22.2 | 25.4 | 28.6 | 31.8 | 34.9 | 38.1 | 44.45 | 47.63 | 57.15 | |
| ANSI | d1 | 17.45 | 21.54 | 26.87 | 33.65 | 42.42 | 48.56 | 60.63 | 73.38 | 89.31 | 114.76 |
| d2 | 17.04 | 21.23 | 26.57 | 33.27 | 42.04 | 48.11 | 60.17 | 72.85 | 88.7 | 114.07 | |
| I | 19.05 | 22.22 | 25.4 | 28.58 | 31.75 | 34.93 | 38.1 | 44.45 | 47.63 | 57.15 | |
| DIN | d1 | 16.3 | 20.3 | 25.3 | 32.3 | 40.3 | 50.3 | 63.3 | 75.3 | 90.3 | 110.4 |
| d2 | 15.9 | 20.1 | 25.1 | 32.1 | 40.1 | 50.1 | 63.1 | 75.1 | 90.1 | 110.1 | |
| I | 14 | 16 | 19 | 22 | 26 | 31 | 38 | 44 | 51 | 61 | |
| BS | d1 | 17.5 | 21.5 | 26.9 | 33.7 | 42.4 | 48.4 | 60.5 | 75.5 | 89.1 | 114.5 |
| d2 | 16.8 | 21.3 | 26.7 | 33.5 | 42.2 | 48.2 | 60.3 | 75 | 88.8 | 114.1 | |
| I | 19.05 | 16.5 | 19.5 | 22.5 | 27 | 30 | 36 | 44.45 | 47.63 | 57.15 | |
| thd./in | NPT | 18 | 14 | 14 | 11.5 | 11.5 | 11.5 | 11.5 | 8 | 8 | 8 |
| BSPT | 19 | 14 | 14 | 11 | 11 | 11 | 11 | 11 | 11 | 11 | |
| D | 38 | 46 | 55 | 66 | 82 | 98 | 119.5 | 140 | 163 | 225 | |
| d | 12.3 | 13.5 | 16.5 | 22.1 | 29.8 | 38 | 48 | 63 | 75 | 100 | |
| H | 48 | 55 | 63 | 71 | 86.5 | 89 | 96.5 | 113 | 126 | 162 | |